Home » Products » Compound meter » Compound &Combination Water Meter
-
OPERATION:
GALONMETER GL-WCB-50-200 Compound (Combination) Meters utilize a turbine type meter on the main flow line and a proportionately sized meter on the low flow bypass line. A change over valve controls the flow of water through the appropriate measuring device. Before the valve opens, all water flows through the low flow meter. As pressure rises the valve opens, allowing water to flow through both meters. Movement of the measuring elements is transmitted to drive magnets, which transmit the motion to driven magnets located within hermetically sealed registers. The magnets are connected to gear trains, which translate the rotations into volume totalizators displayed on the register dial faces.
CONSTRUCTION:
GALONMETER GL-WCB-50-200 Compound (Combination) Meters consist of a main case, turbine measuring element, changeover valve housing, main case cover, multi-jet type meter, and magnetically driven register assemblies.
GALONMETER GL-WCB-50-200Compound (Combination) Meters with magnetic transmission, dry type register for Commercial and Industrial application has the sizes from Dn50 to Dn200 designed by GALONMETER and meets to the international standard of ISO 4064 Standard.
CHARACTERISTICS:
All the materials in contact with water, consciously selected by the known resistance to corrosion;
Iron body with inside and outside epoxy coating for protecting the corrosion;
The ROTATING indicator register of the main meter for the most comfortable reading position;
The copper can super dry register of the main meter with IP68 protection;
The interchangeable, removable measuring mechanism of the main meter can be easy removed from the body for checking, maintaining and replacing, no needs to dismantle the body form the pipe;
Lower Pressure loss;
No effected by external magnetic fields;
Pulse output AS OPTION.
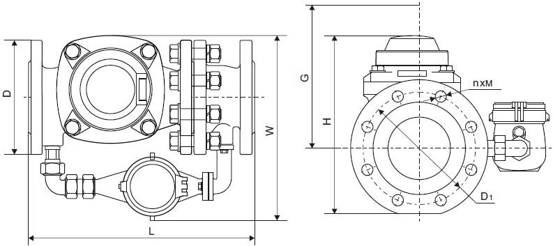
The height “G” is the min. height for removing the measuring mechanism. The Flange Standard under ISO
*Different Flange Standard for selecting such as: ISO 7005-2: 1998(E) PN10, ASME B16.1-Class 125 working for B16.5-Class 150…
Dn
Dn50*
Dn15Dn65*
Dn20Dn80*
Dn20Dn100*
Dn20Dn125*
Dn25Dn150*
Dn40Dn200*
Dn50L
280
370
370
370
500
560
W
268
305
310
320
445
525
H
252
262
272
282
341
371
H1
339
349
359
369
428
458
G
400
400
400
400
500
500
D
165
185
200
220
285
340
D1
125
145
160
180
240
295
nxM
4xM16
8xM16
8xM20
12xM20
Size
mm
Dn50*
Dn15Dn65*
Dn20Dn80*
Dn20Dn100*
Dn20Dn125*
Dn25Dn150*
Dn40Dn200*
Dn50Metrological Class
Qmax
m3/h
30
50
80
120
300
500
Qn
m3/h
15
25
40
60
150
250
Qt
m3/h
0,12
0,2
0,2
0,2
0,8
1,2
Qmin
m3/h
0,03
0,05
0,05
0,05
0,2
0,3
Max. Reading
m3
999999,999 + 99999,9999
9999999,99 + 999999,999
Min. Reading
Liter
0,05
0, 05
Max.
PressureBar
PN16
Max.
Temperate℃
40
PRESSURE LOSS CURVE:

Max. Permission Error:
From Qmin inclusive up to but excluding Qt is ± 5%; From Qt inclusive up to and including Qmax is ± 2%;



